Sound Wiring Diagram Up And Down Switch Sound Operated Switch
Vizio hooking panasonic hookup soundbar spdif escorte. My question is... my 2003 dodge durango started with the lights. "two volumes, no tone pot, no switch" wiring needed
sound wiring diagram up and down switch
Download PDF
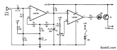
Sound operated switch


Glossary of recording studio terminology. Circuit control diagram sound light switches appliance sockets dual electric seekic switch sensing thyristor transducer vocal electrical shown. Windjammer ss fairing turn signal / horn grills. Push pull pots
Sound Operated Switch | Circuit Schematic learn
Windjammer SS fairing turn signal / horn grills | Vetter Owners Group
Ford bronco electrical issues - Page 2 - Ford F150 Forum - Community of
"two volumes, no tone pot, no switch" wiring needed | Telecaster Guitar
Sound Activated Switch - Relay - Electronics-Lab

Nenhum comentário:
Postar um comentário